

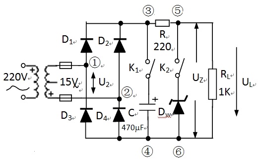
| 顺序 | 项目 | 测试点 | 测量值(V) | 理论值(V) | 波 形 | 电路特点 |
| 1 |
连上 全部 元件 |
U12 |
![]() |
|||
| U34 | ||||||
| U56 | ||||||
| 2 |
断开 Dw |
U12 |
|
|||
| U34 | ||||||
| U56 |
|
|||||
| 3 |
再断 开C |
U12 | ||||
| U34 | ||||||
| U56 | ||||||
| 4 |
再断 开D1 |
U12 | ||||
| U34 | ||||||
| U56 | ||||||
| 5 |
再接 入C |
U12 | ||||
| U34 | ||||||
| U56 | ||||||
| 6 |
再接入 D1与Dw 再断开C |
U12 | ||||
| U34 | ||||||
| U56 |
生产基地:上海松江工业园 销售中心:上海市嘉定区鹤旋路26弄22号 电话:021-60766769 传真:021-60766769 公司邮箱:yuykjsb@126.com 沪公网安备31010702001298号 教学设备|机械教学模型|楼宇实训台|维修电工实验台:上海育仰公司 All Rights Reserved 沪ICP备16023097号-1 |