服务热线:
021-60766769
设为首页
|
收藏本站
|
联系我们
网站首页
企业概况
新闻动态
产品介绍
产品导航
技术文章
企业博客
售后服务
联系我们
新能源汽车教学设备
维修电工实验台
智能楼宇实训台
电梯实验室设备
机械教学模型
过程控制实训装置
热工实验设备
化工原理实验装置
环境工程实验装置
流体力学实验装置
燃气工程实验装置
化工工艺,化工工程实训装置
采暖通风实训装置
新能源教学仪器
PLC编程及自动化设备
PLC可编程实训设备
光机电一体化实训设备
传感器综合实验台
家电实验室设备
船舶工程技术实训室
微机、单片机实验设备
电工电子技能实训设备
电工模电数电电气控制
电机类实验室实训设备
电力电子技术实训装置
电力电气及自动化实训设备
电学技术实训与考核设备
电子工艺实训考核装置
高级模电数电电力拖动设备
通用型电工.电子实验室设备
工业自动化实训设备
液压气动实验台
中央空调实训设备
制冷制热实训台
煤矿安全培训设备
数控机床实训设备
机床电气技能培训及考核装置
普通机床实训设备
机械创新实训室设备
机械仿真设计试验装置
机械陈列柜
工程机械实训设备
农业机械教学设备
汽车底盘结构实训台
汽车教学示教板
拆装附翻转实训台架
汽车发动机实训台
汽车驾校实训设备
汽车空调实训台
全车仿真电路习实台
全车电器实训台
变速器及离合器实训台
汽车程控电教板
汽车实物解剖模型
汽车透明教学模型
汽车电子实验箱
财会模拟实验室设备
工程制图实验室设备
钳工.焊铆工实验台
心肺复苏模拟人
教学实验箱
主页
>
技术文章
>
PLC电气控制实验指导
1
、
PLC
控制电机启动停止
2
、PLC控制电机正转、反转
3
、PLC控制电机顺序启动
4
、PLC控制电机往返运动
5
、PLC控制电机星型、三角型切换
6
、C620车床电气控制
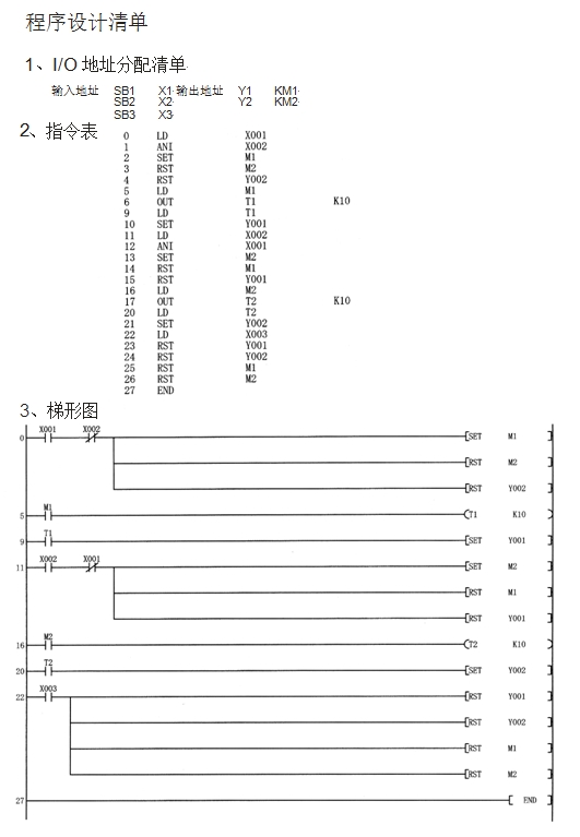
程序设计清单
7
、C6263车床电气控制线路
上一篇:
PLC控制变频器功能参数设置与操作
下一篇:
线性与非线性元件伏安特性的测绘--电工基本实验
上海育仰科教设备有限公司,立于上海,心怀天下
生产基地:上海松江工业园
销售中心:上海市嘉定区鹤旋路26弄22号
电话:021-60766769 传真:021-60766769 公司邮箱:yuykjsb@126.com
沪公网安备31010702001298号
教学设备|机械教学模型|楼宇实训台|维修电工实验台:上海育仰公司
All Rights Reserved
沪ICP备16023097号-1
展开
收缩
在线客服
在线客服
在线客服
在线客服
在线客服
电话:021-60766769