服务热线:
021-60766769
设为首页
|
收藏本站
|
联系我们
网站首页
企业概况
新闻动态
产品介绍
产品导航
技术文章
企业博客
售后服务
联系我们
新能源汽车教学设备
维修电工实验台
智能楼宇实训台
电梯实验室设备
机械教学模型
过程控制实训装置
热工实验设备
化工原理实验装置
环境工程实验装置
流体力学实验装置
燃气工程实验装置
化工工艺,化工工程实训装置
采暖通风实训装置
新能源教学仪器
PLC编程及自动化设备
PLC可编程实训设备
光机电一体化实训设备
传感器综合实验台
家电实验室设备
船舶工程技术实训室
微机、单片机实验设备
电工电子技能实训设备
电工模电数电电气控制
电机类实验室实训设备
电力电子技术实训装置
电力电气及自动化实训设备
电学技术实训与考核设备
电子工艺实训考核装置
高级模电数电电力拖动设备
通用型电工.电子实验室设备
工业自动化实训设备
液压气动实验台
中央空调实训设备
制冷制热实训台
煤矿安全培训设备
数控机床实训设备
机床电气技能培训及考核装置
普通机床实训设备
机械创新实训室设备
机械仿真设计试验装置
机械陈列柜
工程机械实训设备
农业机械教学设备
汽车底盘结构实训台
汽车教学示教板
拆装附翻转实训台架
汽车发动机实训台
汽车驾校实训设备
汽车空调实训台
全车仿真电路习实台
全车电器实训台
变速器及离合器实训台
汽车程控电教板
汽车实物解剖模型
汽车透明教学模型
汽车电子实验箱
财会模拟实验室设备
工程制图实验室设备
钳工.焊铆工实验台
心肺复苏模拟人
教学实验箱
主页
>
技术文章
>
RC正弦波振荡器--模拟电路及晶闸管应用
一.实验目的
1.进一步学习RC正弦波振荡器的组成及其振荡条件。
2.学会测量、调试振荡器。
二.实验原理
从结构上看,正弦波振荡器是没有输入信号的,带选频网络的正反馈放大器。若用R、C元件组威选频网络,就称为RC振荡器,一般用来产生lHz~1MHz的低频信号。
1.RC移相振荡器
电路型式如图18-1所示,选择R>>R
i
。
图18-1 RC移相振荡器原理图
振荡频率
起振条件放大器 A的电压放大倍数
电路特点简便,但选频作用差,振幅不稳,频率调节不便,一般用于频率固定且稳定性要求不高的场合。
频率范围几赫~数十千赫。
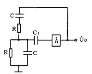
2.RC串并联网络(文氏桥)振荡器
电路型式如图18-2 所示。
振荡频率
起振条件
电路特点可方便地连续改变振荡频率,便于加负反馈稳幅,容易得到良好的振荡波形。
图18-2 RC串并联网络振荡器原理图
注:本实验采用两级共射极分立元件放大器组成RC正弦波振荡器。
三.实验设备与器件
1.+12V直流电源;
2.函数信号发生器;
3.双踪示波器(自备);
4.频率计;
5.直流电压表;
6.实验模块
四.实验内容
1.RC串并联选频网络振荡器
(1)按图18-3组接线路。
(2)断开RC串并联网络,测量放大器静态工作点及电压放大倍数。
(3)接通RC串并联网络,并使电路起振,用示波器观测输出电压U
0
波形,调节R
f
使获得满意的正弦信号,记录波形及其参数。
(4)测量振荡频率,并与计算值进行比较。
(5)改变R或C值,观察振荡频率变化情况。
(6)RC串并联网络幅频特性的观察
将RC串并联网络与放大器断开,用函数信号发生器的正弦信号注入RC串并联网络,保持输入信号的幅度不变(约3V),频率由低到高变化,RC串并联网络输出幅值将随之变化,当信号源达某一频率时,RC串并联网络的输出将达最大值(约1V左右)。且输入、输出同相位,此时信号源频率为
图18-3 RC串并联选频网络振荡器
五.实验总结
1.由给定电路参数计算振荡频率,并与实测值比较,分析误差产生的原因。
2.总结三类RC振荡器的特点。
六.预习要求
1.复习教材有关三种类型RC振荡器的结构与工作原理。
2.计算三种实验电路的振荡频率。
3.如何用示波器来测量振荡电路的振荡频率。
上一篇:
直流稳压电源(Ⅱ)集成稳压器
下一篇:
晶体管共射极单管放大器--模拟电路及晶闸管应用
上海育仰科教设备有限公司,立于上海,心怀天下
生产基地:上海松江工业园
销售中心:上海市嘉定区鹤旋路26弄22号
电话:021-60766769 传真:021-60766769 公司邮箱:yuykjsb@126.com
沪公网安备31010702001298号
教学设备|机械教学模型|楼宇实训台|维修电工实验台:上海育仰公司
All Rights Reserved
沪ICP备16023097号-1
展开
收缩
在线客服
在线客服
在线客服
在线客服
在线客服
电话:021-60766769