
| 代号 | 名称 | 型号 | 规格 | 数量 | 备注 |
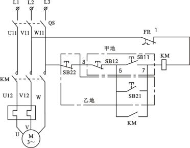
| QS | 低压断路器 | DZ108-20/10-F | 脱扣器整定电流0.63-1A | 1 | |
| KM | 交流接触器 | CJX2-0910 | 线圈AC380V | 1 | |
| FR | 热继电器 | JRS1D-25 | 整定电流0.63-1A | 1 | |
|
SB11 SB12 SB21 SB22 |
按钮开关 | LAY16 | 4 |
SB11、SB21绿色 SB12、SB22红色 |
|
| XT | 接线端子排 | AC660V25A | 10位 | ||
| M | 三相鼠笼式异步电动机 |
UN380V(Y) IN0.53APN160W |
1 |


生产基地:上海松江工业园 销售中心:上海市嘉定区鹤旋路26弄22号 电话:021-60766769 传真:021-60766769 公司邮箱:yuykjsb@126.com 沪公网安备31010702001298号 教学设备|机械教学模型|楼宇实训台|维修电工实验台:上海育仰公司 All Rights Reserved 沪ICP备16023097号-1 |