服务热线:
021-60766769
设为首页
|
收藏本站
|
联系我们
网站首页
企业概况
新闻动态
产品介绍
产品导航
技术文章
企业博客
售后服务
联系我们
新能源汽车教学设备
维修电工实验台
智能楼宇实训台
电梯实验室设备
机械教学模型
过程控制实训装置
热工实验设备
化工原理实验装置
环境工程实验装置
流体力学实验装置
燃气工程实验装置
化工工艺,化工工程实训装置
采暖通风实训装置
新能源教学仪器
PLC编程及自动化设备
PLC可编程实训设备
光机电一体化实训设备
传感器综合实验台
家电实验室设备
船舶工程技术实训室
微机、单片机实验设备
电工电子技能实训设备
电工模电数电电气控制
电机类实验室实训设备
电力电子技术实训装置
电力电气及自动化实训设备
电学技术实训与考核设备
电子工艺实训考核装置
高级模电数电电力拖动设备
通用型电工.电子实验室设备
工业自动化实训设备
液压气动实验台
中央空调实训设备
制冷制热实训台
煤矿安全培训设备
数控机床实训设备
机床电气技能培训及考核装置
普通机床实训设备
机械创新实训室设备
机械仿真设计试验装置
机械陈列柜
工程机械实训设备
农业机械教学设备
汽车底盘结构实训台
汽车教学示教板
拆装附翻转实训台架
汽车发动机实训台
汽车驾校实训设备
汽车空调实训台
全车仿真电路习实台
全车电器实训台
变速器及离合器实训台
汽车程控电教板
汽车实物解剖模型
汽车透明教学模型
汽车电子实验箱
财会模拟实验室设备
工程制图实验室设备
钳工.焊铆工实验台
心肺复苏模拟人
教学实验箱
主页
>
新闻动态
>
波形发生电路实验--模拟电路实验箱
一、实验目的
1、掌握波形发生电路的特点和分析方法。
2、熟悉波形发生器设计方法。
二、实验原理
在自动化设备和系统中,经常需要进行性能的测试和信息的传送,这些都离不开一定的波形作为测试和传送的依据,在模拟系统中,常用的波形有正弦波、方波和锯齿波等。
当集成运放应用于上述不同类型的波形时,其工作状态并不相同。本实验研究的方波,三角波、锯齿波的电路,实质上是脉冲电路,它们大都工作在非线性区域。常用于脉冲和数字系统中作为信号源。
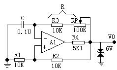
1、产生方波的电路
方波电路见图10-1所示。电路由集成运放与R1、R2及一个滞回比较器和一个充放电回路组成。稳压管和R3的作用是钳位,将滞回比较器的输出电压限制在稳压管的稳定电压值±V2。
我们知道滞回比较器的输出只有两种可能的状态,高电平或低电平。滞回比较器的两种不同的输出电平使RC电路进行充电或放电,于是电容上的电压将升高或降低,而电容上的电压又作为滞回比较器的输入电压,控制其输出端状态发生跳变,从而使RC电路由充电过程变为放电过程或相反。如此循环往复,周而复始,最后在滞回比较器的输出端即可得到一个高低电平周期性交替的矩形波即方波。
2、产生三角波的电路
三角波电路如同10-2所示。电路由集成运放A1组成滞回比较器,A2组成积分电路,滞回比较器输出的矩形波加在积分电路的反相输入端,而积分电路输出的三角波又接到滞回比较器的同相输入端,控制滞回比较器输出端的状态发生跳变,从而在A2的输出端得到周期性的三角波。调节R1、R2可使幅度达到规定值,而调节R4可使振荡满足要求。
3、锯齿波发生电路
在示波器的扫描电路以及数字电压表等电路中常常使用齿波。图10-3为锯齿波发生电路,它在原三角波发生电路的基础上,用二极管D1、D2和电位器R
P
代替原来的积分电阻,使积分电容的充电和放电回路分开,即成为锯齿波发生电路。
三、实验仪器
1、双踪示波器
2、数字万用表
3、集成运算放大电路模块
四、预习要求
1、分析图10-1电路的工作原理,定性画出V0和VC波形。
2、若图10-1电路R=10K,计算V0的频率。
3、在图10-2电路如何使输出波形占空比变大? 利用实验箱上所标元器件画出原理图。
4、在图10-3电路中,如何改变输出频率? 设计2种方案并画图表示。
5、在图10-4电路中如何连续改变振荡频率? 画出电路图。(利用实验箱上的元器件)
五、实验内容
1、方波发生电路
实验电路如图10-1所示,双向稳压管稳压值一般为5~6V。
图10-1方波发生电路
(1)按电路图接线,观察VC、V0波形及频率,与预习比较。
(2)分别测出R=10KΩ,110KΩ时的频率,输出幅值,与预习比较。
(3)要想获得更低的频率应如何选择电路参数? 试利用实验箱上给出的元器件进行条件实验并观测之。
2、占空比可调的矩形波发生电路
实验电路如图10-2所示。
(1) 按图接线,观测并测量电路的振荡频率、幅值及占空比。
图10-2占空比可调的矩形波发生电路
(2) 若要使占空比更大,应如何选择电路参数并用实验验证。
3、三角波发生电路
实验电路如图10-3所示。
图10-3三角波发生电路
(1) 按图按线,分别观测V01及V02的波形并记录。
(2) 如何改变输出波形的频率? 按预习方案分别实验并记录。
4、锯齿波发生电路
实验电路如图8-4所示。
图10-4锯齿波发生电路
1、按图接线,观测电路输出波形和频率。
2、按预习时的方案改变锯齿波频率并测量变化范围。
六、实验报告
1、画出各实验的波形图。
2、画出各实验预习要求的设计方案,电路图。写出实验步骤及结果。
3、总结波形发生电路的特点,并回答。
(1)波形产生电路需调零吗?
(2)波形产生电路有没有输入端。
上一篇:
积分与微分电路实验--模拟电路实验箱
下一篇:
有源滤波器实验--模拟电路实验箱
上海育仰科教设备有限公司,立于上海,心怀天下
生产基地:上海松江工业园
销售中心:上海市嘉定区鹤旋路26弄22号
电话:021-60766769 传真:021-60766769 公司邮箱:yuykjsb@126.com
沪公网安备31010702001298号
教学设备|机械教学模型|楼宇实训台|维修电工实验台:上海育仰公司
All Rights Reserved
沪ICP备16023097号-1
展开
收缩
在线客服
在线客服
在线客服
在线客服
在线客服
电话:021-60766769