YUY-HM220离心泵综合性能测定实验台说明书
离心泵综合性能测定实验台使用说明书
本实验台是可以进行离心泵特性曲线测定实验、离心泵汽蚀实验和离心泵启停及串并联实验的一种多功能综合实验台。
一、试验台的结构及工作原理
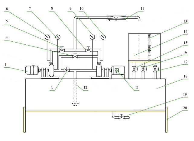
1、试验台的结构如图所示。

试验台的结构示意图
1、泵Ⅰ2、泵Ⅱ3、进水阀4、串联阀5、出水阀(泵1)6、压力7、真空8、出水阀(泵Ⅱ)9、真空10、压力11、孔板流量计13、计量水箱14、回水箱15、回水阀16、计量水箱放水阀17、排气阀18、水箱19、放水阀20、试验台支架
实验台主要由水泵1(用以测泵特性及串并联实验)、水泵2(用以测泵的汽蚀余量和串并联实验)、水箱、流量传感器、计量水箱、压力传感器、显示屏、管道及阀门等组成。实验时,利用各阀门的开、关和调节,形成泵1的单台泵工作回路,在不同流量下,测定一组相应的压力、真空、和流量计的差压计的读数(或利用计量水箱和秒表来计量),即可得出一组泵的流量Q、扬程H,实用功率N等数据,可以绘出泵的H-Q,N-Q和η-Q等特征曲线。进行泵的汽蚀实验时,利用相应阀门的开、闭和调节,形成泵2的单泵工作回路,并使水箱成为基本的封闭的容器,水泵抽水时,使水箱由于水的抽出而产生真空,从而使泵的进口压力减少,直到发生汽蚀,测出泵的汽蚀余量ΔH。再进行泵的串联或并联回路,测定串联和并联时运行特性。

2、显示屏操作说明
(1)面板按钮说明(如图二所示)
K1=开机/说明/设置
K2=归零开关/退出
K3=泵二开关/加
K4=泵一开关/减
K5=进位
(2)开机
打开电源后指示灯频闪,按K1即可正常工作,此时K4作水泵1的开关用,K3作水泵2的开关用,按K1可进入说明页,再按返回工作状态。
(3)设置
在工作状态下按K1不放(大于2秒)即可进入设置状态,此时按K1作设置选择,按K2退出。
① 传感器清零
此时按K3是传感器选择,K4是清零,K5是恢复,K2是退出/保存,K1是设置/保存。
②设置时间
此时K3是加、K4是减、K5是进位、K2保存退出,K1是设置/保存。
二. 实验台的主要指标和参数
离心泵
型号:FS103 最大扬程:11 m
最大流量:4.5

泵进口管径d: 32 mm
电机额定功率:550 W 电机额定转速:2840转/分
三、安装说明
试验台为整体发运,包装在一个木箱内。开箱时,请仔细拆除包装定位支撑、固定压板和捆绑绳索等,避免损坏试验台及其附件。试验台应安放在平整的地面上,并尽可能垫平。
在接电运转前,必须做好下列准备工作:
1.仔细检查各阀门、接头和表头等有无松动,如有松动,应加以紧固;
2.用橡胶管将孔板的测压口与压差计相连接;
3.将水箱注满水,并使泵内全部充满水。完成上述安装工作以后,即可接电试运转。启动水泵,观察有无漏水现象,如漏水,应设法处理。
4.试验台应很好的接地,以保安全!
四、使用操作说明
1.泵的特性实验
(1)试验前准备
①将水箱注满水
②拧开泵1的充水孔盖,向水泵充水,直到泵体内充满水为止(此时,应关闭进口阀3)
③关闭阀门4,6;打开阀门5。
(2)进行试验
①启动泵1。泵运转后,即打开阀门3,再关闭阀门5。此时,流量为0,为空载状态。测量压力6,真空压力7的读数和电机的功率。
②打开阀门5至一定开度,水泵开始给水,再测读压力6、真空压力9、流量计的读数和电机的功率。泵的流量也可用计量水箱和秒表(用户自备)来测量。
③逐步开大阀门5,改变泵的流量(一般改变10-15次),在每一流量下,测量并记录上述试验数据。
这样,可以测得相应于不同流量下的试验数据,从而就可以绘出泵的特性曲线。
2.水泵的汽蚀现象演示试验
(1)试验前的准备
①将水箱注满水,直至排气阀17溢出水为止。关闭排气阀。
②关闭阀门3,4,5,15,打开阀门8,16。
(2)进行试验
①启动水泵2。
②调节阀门8,调至某一流量

。
③在此流量下,将阀门16由开启向关闭方向逐步调节,使水箱内的真空度逐步增大,每调节一次,同时测读流量计读数、真空8的读数Hs和压力10读数H(扬程)。继续调节阀门16,直至压力10的读数发生剧烈颤动或急剧下降为止(即发生汽蚀)。
3、两台泵的串联运行试验
(1)在相同流量下,测出单台泵运行时的泵1和泵2的扬程H
1和H
2。其试验步骤和方法可参照泵的特性试验方法。
(2)在与单台泵运行时的相同得流量下,测出两台泵的串联时的扬程 H
串可以得出H
串= H
1+ H
2。具体步骤如下:
①打开阀门15;关闭阀门3,4,5,8,16。
②接通电源,首先启动泵2,运行正常后,打开串联阀门4,再启动泵1,待运行正常后,然后打开阀门5。
③调节阀门5,使流量指示与单台泵运行时相同。
④在压力6和10上进行扬程H
串和H
2读值。
4.两台泵的并联运行试验
(1)在相同的扬程下,测出单台水泵进行时泵1和泵2的流量Q
1和Q
2。
(2)在与单台泵运行时的相同的扬程下,测出两台泵并联时的流量Q
并,
得出:Q
并 = Q
1+ Q
2。具体步骤如下:
①开阀门3,15;关闭阀门4,5,8,16。
②启动水泵1和水泵2,运行正常后,打开阀门5,8。
③调节阀门5,8,使压力6,10的扬程一致,并与单台泵运行使相同。
④用流量计或计量水箱进行流量Q
并测量。
[注]1.上述泵的串、并联运行试验,可以进行多个流量下的串联运行试验和多个扬程下的并联运行试验,以观察和验证泵的串、并联运行时的基本规律。
2.泵的串、并联试验也可以参照离心泵的启、停及串并联实验台实验指导书介绍的方法进行试验,给出单泵运行时的Q-H特性曲线及双台泵串并联运行时的Q-H特性曲线,以观察和验证泵的串、并联运行时的基本规律。
五、试验台的保养和维护
1.量水箱应保持清洁明亮。
2.流量计的差压计,应注意防尘,以免影响测量精度。不用时,应盖上塑料布或特制小盖。
3.易锈零部件,应注意防锈。
附:
实验原理和方法参考
1、H—Q曲线
根据实验内容要求,在相应位置建立能量方程。
利用阀门调节流量,测定H、Q的数值。Q用计量水箱和秒表测定;H值可由下式计算:

式中:H——压力表读数,[Mpa] ,换算成水柱高,[m]
V——真空表读数,[Mpa] ,换算成水柱高,[m]
Z——压力表至真空表接出点之间的高度,[m]

——泵进口流速,一般进口和出口管径相同,

所以

逐次改变阀门的开度,测得不同的

值和其相应得水头

值(

和

值),在Q—H坐标系中得到相应的若干测点,将这些点光滑地连接起来,即得水泵得H—Q曲线。
2、N—Q曲线
测定泵在不同流量

时的泵输入功率

(为电机的输出功率),绘制N—Q曲线。
逐次改变阀门的开度,测得不同的

值和其相应泵输入功率

值,在Q—N坐标系中得到相应得若干测点,将这些点光滑地连接起来,即得水泵得N—Q曲线
3.η—Q曲线
利用H—Q和N—Q曲线,任取一个

值可以得出相应的

和

值,由此可得该流量下得相应效率

值:

取若干个

值,并求得相应

和

值,即可算出其相应的

值,在Q—η坐标系中可光滑地连出泵的η—Q效率曲线。
实验数据可记录在如下的表格中:
|
No |
M(Mpa) |
V(Mpa) |
W(功率) |
Q(Kg/s) |
备注 |
|
W(立方)t(秒) |
|
1 |
|
|
|
|
|
|
2 |
|
|
|
|
|
|
3 |
|
|
|
|
|
|
4 |
|
|
|
|
|
|
5 |
|
|
|
|
|
|
6 |
|
|
|
|
|
|
|
|
|
|
|
|
根据测试数据,在坐标系中点出测试点,最后光滑地绘制出H—Q,N—Q和η—Q曲线。(可以在一张图上绘出)。
η